Průmyslový VA metr pro vestavbu 250A 2-500V

Třífázový panelový VA metr 10-250A/1-500V AC  pro měření proudu, napětí a kontrolu zapojení fází v třífázových zařízeních, strojích či rozvodech střídavého napětí.

Panelový VA metr pro měření třífázového střídavého rozvodu pokračování textu

Kód produktu:

104256

Varianty:

skladem (6-25 ks)Pozítří 19.11.2025 může být u Vás
Průmyslový VA metr pro vestavbu 250A 2-500V 104256 https://www.hotair.cz/images/produkty/2/4483/prumyslovy-va-metr-pro-vestavbu-250a-2-500v_1609846696.jpg
Cena: 1573.00
Dostupnost: skladem 6-25 ks
Cena s DPH Cena bez DPH
1 573 Kč 1 300 Kč
ks
Třífázový panelový VA metr 10-250A/1-500V AC  pro měření proudu, napětí a kontrolu zapojení fází v třífázových zařízeních, strojích či rozvodech střídavého napětí.

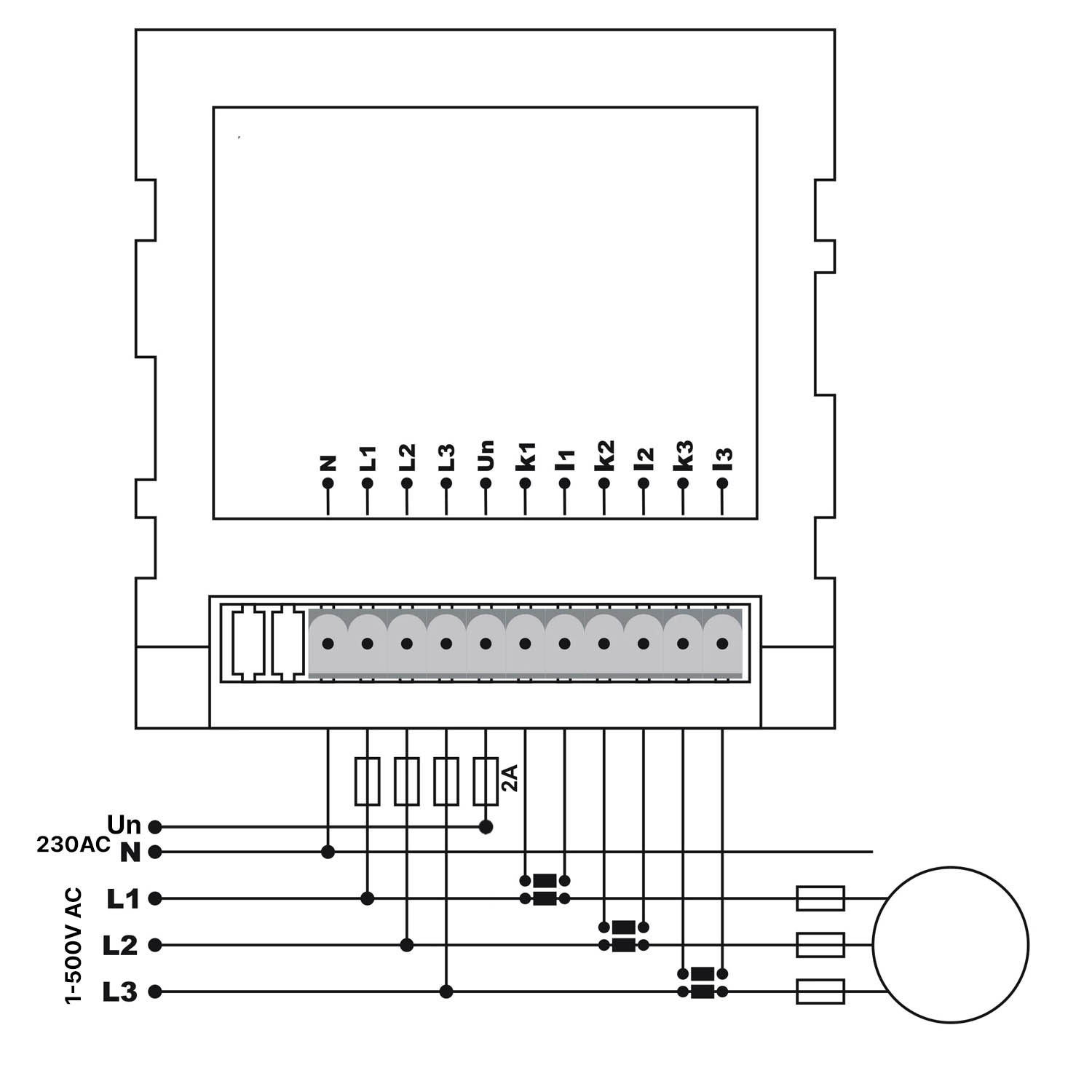
Panelový VA metr pro měření třífázového střídavého rozvodu 1-500V AC s měřením proudu v rozsahu 10-250A na každé jedné fázi. Multimetr je určen pro zabudování do panelu či zařízení, je vybaven svorkovnicí pro připojení proudových cívek, které měří jednotlivé fáze (v balení 3 cívky) cívky jsou uzavřené a je nutné jimi vodič protáhnout, vnitřní průměr cívky je 30mm. Panel má dvě řady červených LED displejů, první řada zobrazuje napětí / frekvenci či správné zapojení sledu fází (funkce lze přepínat tlačítky) druhá řada slouží ke zobrazení odebíraného proudu. 

Multimetr je určený pro vestavbu do panelu. Otvor pro vestavbu je 91x91x45mm (VxŠxH) Zařízení je zapotřebí napájet AC napětím 140-270V. K proudové cívce je připojena dvoulinka o délce cca. 60cm, kterou lze v případě potřeby nastavit delším vodičem.

Obsah balení: třífázový ampérmetr, 3ks měřících cívek. 
 
Parametry
Napájecí napětí 140-270V/AC
Příkon 6VA
Rozsah měření proudu 10-250A 
Rozlišení 1A
Přesnost  ±%1
Rozsah napětí   1 - 500V AC
Displej LED červený 
Vnitřní rozměr měřící cívky 30mm
Vnější rozměr měřící cívky 54mm
Připojení vodičů svorkovnice
Rozměry pro vestavbu 91x91x45mm (VxŠxH)
Rozměry 97x97x52mm (VxŠxH)
Hmotnost 325g
Váha balení [kg]:0.56 kg
Více parametrů
Napájecí napětí 140-270V/AC
Příkon 6VA
Rozsah měření proudu 10-250A 
Rozlišení 1A
Přesnost  ±%1
Rozsah napětí   1 - 500V AC
Displej LED červený 
Vnitřní rozměr měřící cívky 30mm
Vnější rozměr měřící cívky 54mm
Připojení vodičů svorkovnice
Rozměry pro vestavbu 91x91x45mm (VxŠxH)
Rozměry 97x97x52mm (VxŠxH)
Hmotnost 325g
Váha balení [kg]:0.56 kg
Digitální panelové měřidlo střídavého proudu a napětí (Voltmetr 60-500V AC + Ampérmetr 0-100A AC) pro vestavbu do panelu či síťových nebo laboratorních přístrojů. VA měřidlo s předním čtvercovým panelem o rozměrech 28x28mm zobrazuje na dvouřádkovém LED displeji žluté barvy s výškou znaků 7 mm měřené napětí 60-500V AC a proud 0-100A AC. Měřidlo nepotřebuje samostatné napájení, je napájeno přímo ze svorek pro měření napětí. K připojení vodičů měřeného napětí slouží šroubovací svorkovnice na zadní straně VA měřidla. Pro měření proudu je k panelovému měřidlu připojen proudový transformátor s vnitřním otvorem 15 mm, skrze otvor transformátoru se provléká izolovaný fázový vodič na kterém chceme měřit tok AC proudu. Transformátor je připojen vodiči o délce 30 cm s konektorem uprostřed. Pro uchycení V/A metru do panelu slouží plastová matice o průměru 28 mm, která aretuje z vnitřní strany panelu přístroje celé měřidlo, otvor pro vestavbu voltmetru je 22mm. 
326,70 Kč / ks 270 Kč bez DPH
sklademvíce než 25 ks Pozítří 19.11.2025 může být u Vás
Kód:
103757
Digitální Ampérmetr 0-100A pro měření střídavého proudu, určený k vestavbě do panelu či síťových nebo laboratorních přístrojů. Ampérmetr s předním čtvercovým panelem o rozměrech 28x28mm zobrazuje na jednořádkovém LED displeji zelené barvy s výškou znaků 12mm měřený proud v rozsahu 0-100A. Měřidlo je napájeno ze síťového napětí 230V, pro připojení napájení slouží šroubovací svorkovnice na zadní straně ampérmetru. Pro měření proudu je k panelovému měřidlu připojen proudový transformátor s vnitřním otvorem 15mm, skrze otvor transformátoru se provléká izolovaný fázový vodič na kterém chceme měřit tok AC proudu. Transformátor je připojen vodiči o délce 30cm s konektorem uprostřed. Pro uchycení voltmetru do panelu slouží plastová matice o průměru 28mm, která aretuje z vnitřní strany panelu přístroje celé měřidlo, otvor pro vestavbu voltmetru je 22mm. 
266,20 Kč / ks 220 Kč bez DPH
sklademvíce než 25 ks Pozítří 19.11.2025 může být u Vás
Kód:
103756
Multifunkční V/A metr na DIN lištu s měřením střídavého napětí 80-300V, proudu 0-100A, frekvence 45-65Hz a spotřebou el. energie a účiníku. Modul je určen pro montáž na DIN lištu do rozvaděcích skříní v domácnostech, dílnách, provozech či laboratořích. Zapojený modul zobrazuje na přehledném displeji všechny důležité informace o napájení: napětí, proud, aktuální i celkovou spotřebu, frekvenci a účiník. K modulu je připojena měřící cívka, která měří proud do 100A za pomocí indukce (bezkontaktně). Cívka nelze otevřít a tudíž je nutné cívkou kabel provléct. Na předním panelu modulu se nachází tři jednotlivé displeje s podsvícením o celkovém rozměru 36x32mm, displeje zobrazují aktuální hodnoty proudu, napětí a spotřeby (A,V,W), po krátkem stisku tlačítka pod displejem dojde k přepnutí zobrazených hodnot na celkovou měřenou spotřebu, frekvenci síťového napětí a Účiník. (Kwh, HZ a cos φ). Modul si pamatuje celkovou spotřebu i po odpojení napětí, dlouhým stiskem tlačítka pod displejem dojde k vynulování celkové spotřeby. Modul je napájen přímo ze sítě 230V, vstupní napětí je realizován pomocí běžné šroubovací svorkovnice. Obsah balení: měřidlo
1 210 Kč / ks 1 000 Kč bez DPH
skladem6-25 ks Pozítří 19.11.2025 může být u Vás
Kód:
103695
Multifunkční panelové měřidlo s měřením střídavého napětí 80-260V, proudu 0-100A otevíratelným proudovým transformátorem, frekvence 45-65Hz a spotřebou el. energie a účiníku. Modul je vhodný pro vestavbu do panelů nebo, konstrukčních krabiček v domácích dílnách, školních laboratořích a servisních střediscích. Zapojený modul zobrazuje na přehledném displeji všechny důležité informace o napájení: napětí, proud, aktuální i celkovou spotřebu, frekvenci a účiník. Společně s modulem je dodáván proudový otevíratelný transformátor, který se stará o měření proudu do 100A! Cívka měří proud za pomocí indukce (bezkontaktně) stačí jí připojit k měřícímu modulu a "zacvaknout" na okruh, který chceme měřit. Cívku je možné rozevřít a nacvaknout na spotřebič nebo již nainstalovaný el. okruh bez nutnosti rozebírání okruhu.    Na předním panelu modulu se nachází velký podsvícený displej o rozměrech 50x30mm, displej umí zobrazit najednou všechny měřené hodnoty: napětí, proud, aktuální spotřebu W, celkovou spotřebu W, frekvenci a PF (Účiník). Vedle displeje se nachází pouze jediné multifunkční tlačítko: krátký stisk - zapnutí/vypnutí podsvětlení (stav podsvětlení je zapamatován i při odpojení od napětí), stisk 3 s: funkce alarmu - slouží k nastavení výkonu ve wattech při jehož překročení se rozbliká podsvícení a hodnota výkonu, stisk 5 s: následovaný krátkým potvrzovacím stiskem - vynulování počítadla celkové spotřeby el. energie. Na zadní straně modulu je vyvedena svorkovnice pro napájení modulu a vstup měřící cívky. Modul je napájen přímo ze sítě. Po odpojení od sítě si modul pamatuje nastavení a celkovou spotřebu el. energie. Schéma zapojení modulu naleznete v galerii výrobku. Obsah balení: Vestavné měřidlo, měřící cívka.
968 Kč / ks 800 Kč bez DPH
sklademvíce než 25 ks Pozítří 19.11.2025 může být u Vás
Kód:
103669
Jsme tady s vámi už 20 let
Jsme tady s vámi už 20 let

Jsme tady s vámi už 20 let

Za tu dobu jsme ušli pěkný kus cesty.
Pokud vás zajímá náš příběh, čtěte více.
Děkujeme za vaši přízeň!

Dnes zavřeno - státní svátek. Vaše objednávky budou vyřízeny následující pracovní den.